© 2008-2012 SeekIC.com Corp.All Rights Reserved.
Published:2011/6/6 8:06:00 Author:Felicity | Keyword: Pulse Test Set (the 2nd) | From:SeekIC

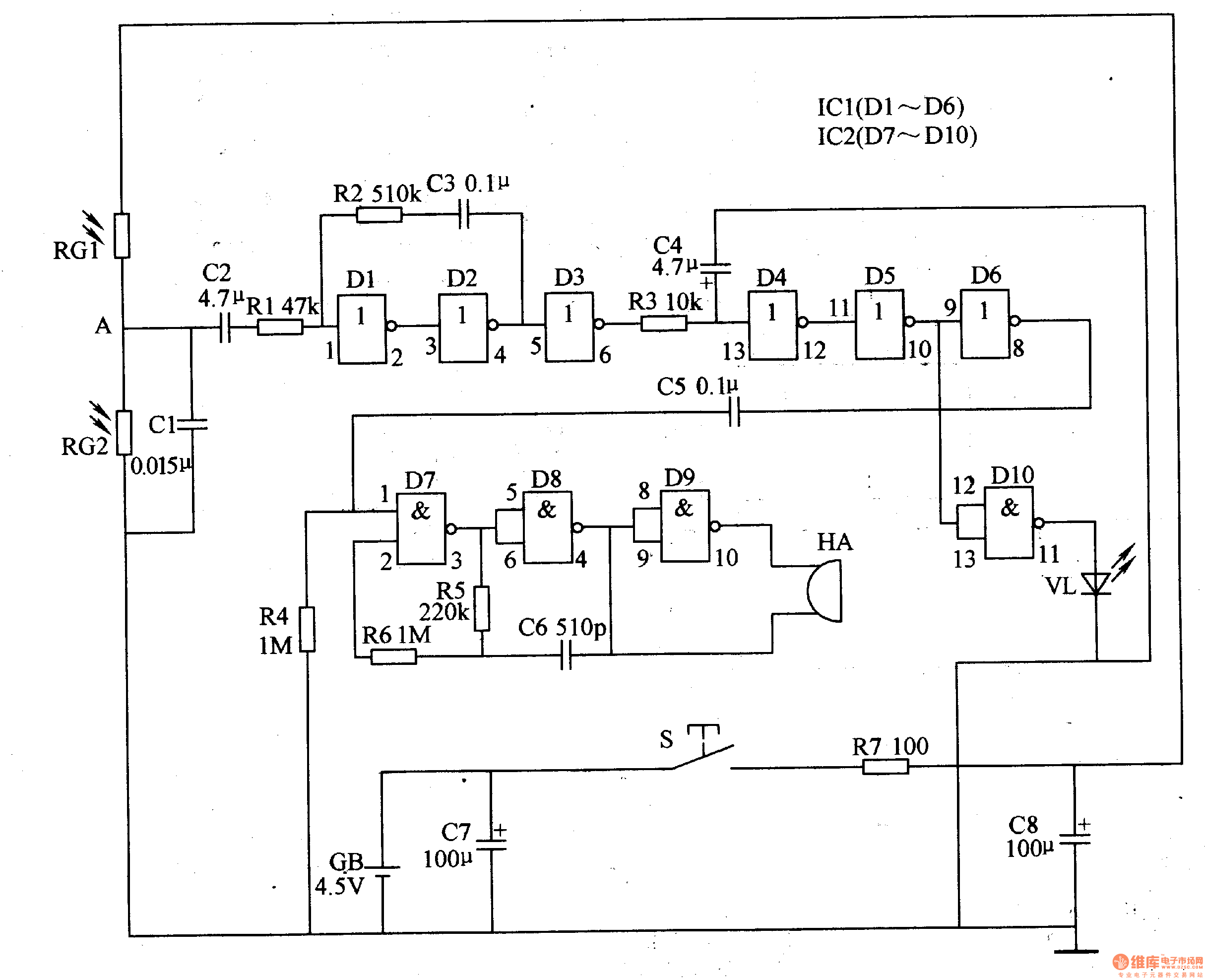
Work of the circuit
The circuit consists of power circuit, light sensor, reshaping amplifying circuit and acousto-optic circuit. (It is showed in picture 9-49.)
When we do not test the electric resistance is almost the same. HA does not make any sound and VL does not shine.
Put your figure on RG1 and the photopermeability change the electric resistance EG1. Voltage of point A changes slightly with the pulse. The signal is adjusted by amplifying circuit and makes acousto-optic circuit work. HA makes sound with the pulse. VL shines with the pulse.
Reprinted Url Of This Article:
http://www.seekic.com/circuit_diagram/Signal_Processing/Pulse_Test_Set_the_2nd.html
Print this Page | Comments | Reading(3)
Response in 12 hours
© 2008-2012 SeekIC.com Corp.All Rights Reserved.
Code: