Published:2011/6/6 8:09:00 Author:Felicity | Keyword: Pulse Test Set (the 4th) | From:SeekIC

Work of the circuit
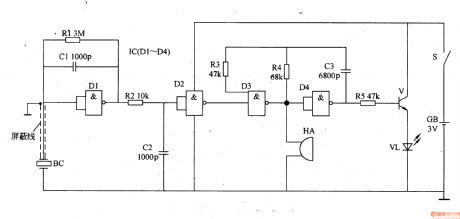
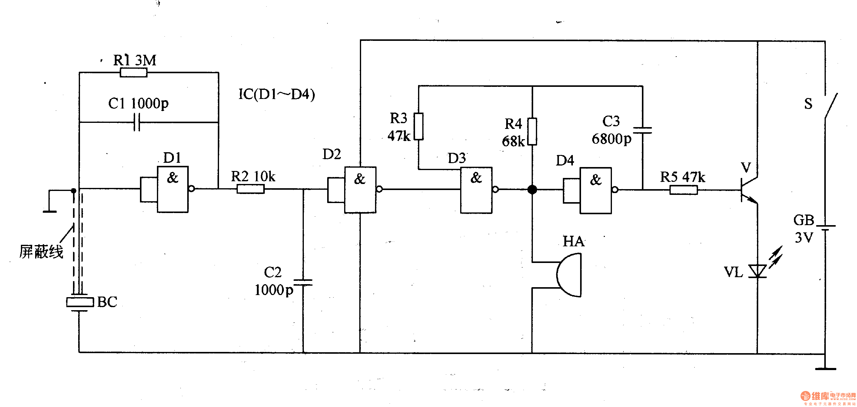
The circuit consists of pulse signal testing and amplifying circuit and acousto-optic circuit. (It is showed in picture 9-51.)
When you do the test, put BC on the position where the pulse is significant. Turn on power switch S. BC turns pulse signal into weak electronic signal. The electronic signal is amplified and reshaped. Then the signal makes the OSC work. HA makes the sound ‘tick, tick’ and VL shines.
Reprinted Url Of This Article:
http://www.seekic.com/circuit_diagram/Signal_Processing/Pulse_Test_Set_the_4th.html
Print this Page | Comments | Reading(3)
Code: