Published:2011/6/22 3:47:00 Author:TaoXi | Keyword: Pulse generator, interrupt beam | From:SeekIC

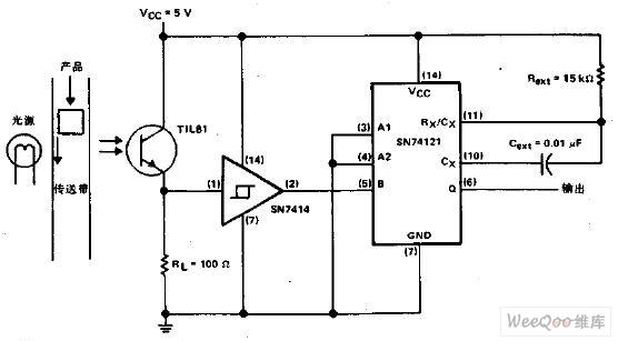
When the object on the band carrier keeps out the light, this circuit will output a pulse. The light source makes the photoelectric transistor to keep in the conduction state. This will produce a high logic level voltage on the Schmitt inverter, and it also produces the low logic level voltage on the pin-5 of the monostable circuit which is compatible with the TTL. When the object keeps out the light, the TIL81 turns off the Schmitt inverter to trigger the monostable circuit.
Reprinted Url Of This Article:
http://www.seekic.com/circuit_diagram/Signal_Processing/Pulse_generator_circuit_uses_the_interrupt_beam.html
Print this Page | Comments | Reading(3)
Code: