Published:2009/7/1 2:03:00 Author:May | From:SeekIC

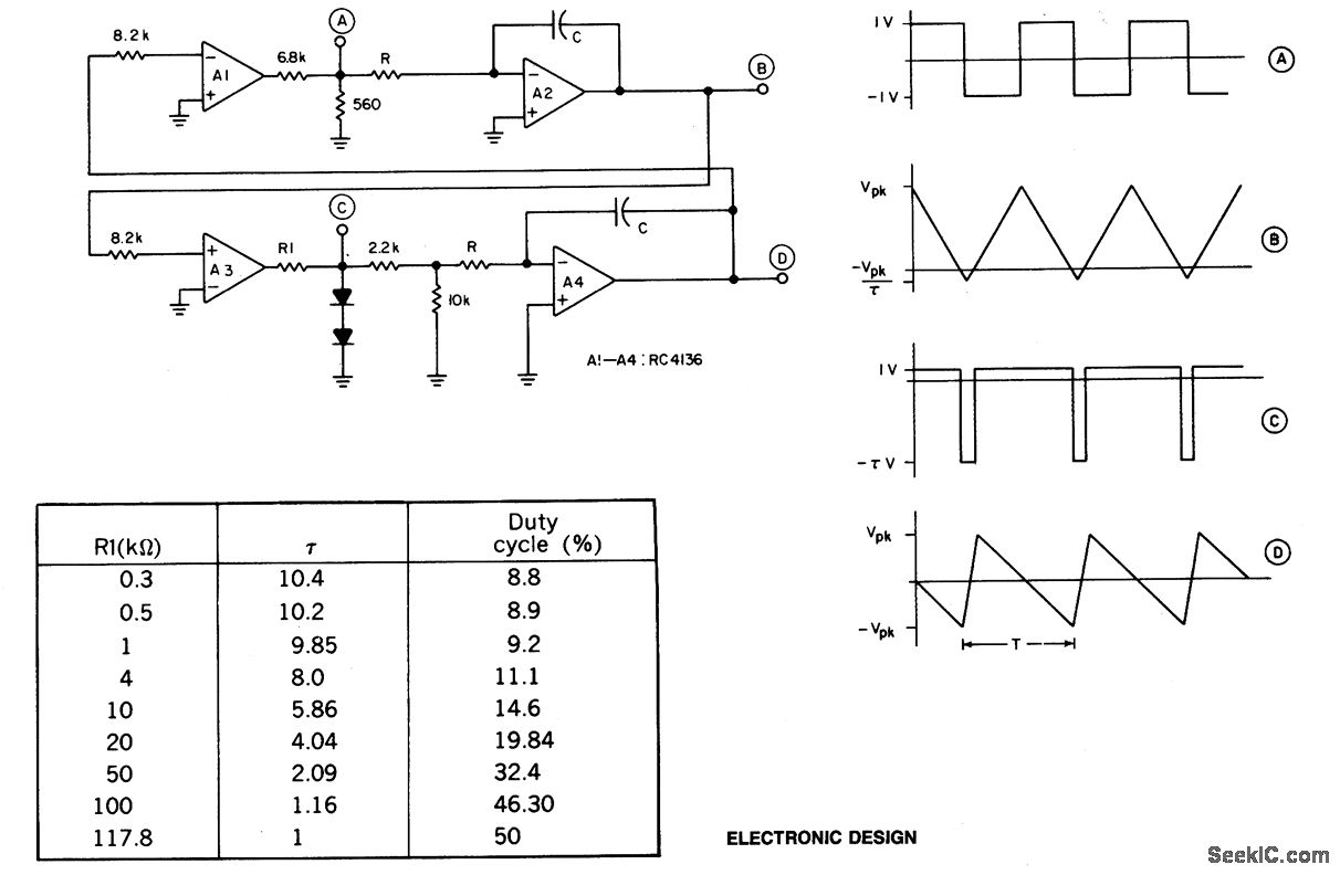
A quad op amp can simultaneously generate four synchronized waveforms. The two comparators (A1 and A3) produce square and pulse waves, while the two integrators (A2 and A4) give triangular and sawtooth waves. Resistor R1 sets the duty cycle and the frequency, along with resistors R and capacitors C.
Reprinted Url Of This Article:
http://www.seekic.com/circuit_diagram/Signal_Processing/QUAD_op_AMP_GENERATES_FOUR_DIFFERENT_SYNCHRONIZED_WAVEFORMS_SIMULTANEOUSLY.html
Print this Page | Comments | Reading(3)
Code: