Published:2009/7/21 4:55:00 Author:Jessie | From:SeekIC

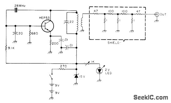
Single-transistor 28-MHz crystal oscillator and carefully designed attenuator network serve to generate signal of about 1μA for checking performance of amateur radio receiver, Can be used on any band down to 6 meters by appropriate choice of crystal and LC circuit components. Coil is CTC LS5 form having 15 turns No. 22 enamel and 2-turn link.-Is It the Band or My Receiver?, 73 Magazine, Oct. 1976, p 132-133.
Reprinted Url Of This Article:
http://www.seekic.com/circuit_diagram/Signal_Processing/RECEIVER_CHECKER.html
Print this Page | Comments | Reading(3)
Code: