Published:2009/7/16 0:50:00 Author:Jessie | From:SeekIC

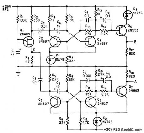
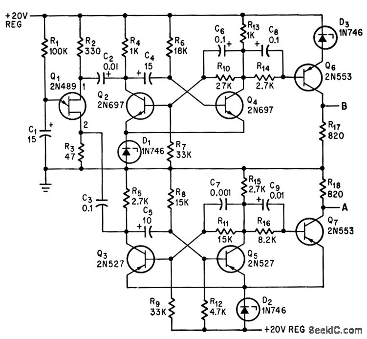
Output A gives 50-millisec positive pulses and output B gives 120-millisec positive pulses, both square wave and both at 0.5 cps, with rise and fall limes under 2 micro. sec for 12.v pulses. Circuit uses one unijunction transistor, two npn transistors, and four pnp transistors.-R. W. Maine, Generating Two Rectangular Waves, Electronics, 37:18, p 82-83.
Reprinted Url Of This Article:
http://www.seekic.com/circuit_diagram/Signal_Processing/RECTANGULAR_PULSES_GENERATED_IN_PAIRS.html
Print this Page | Comments | Reading(3)
Code: