Published:2009/7/16 10:53:00 Author:Jessie | From:SeekIC

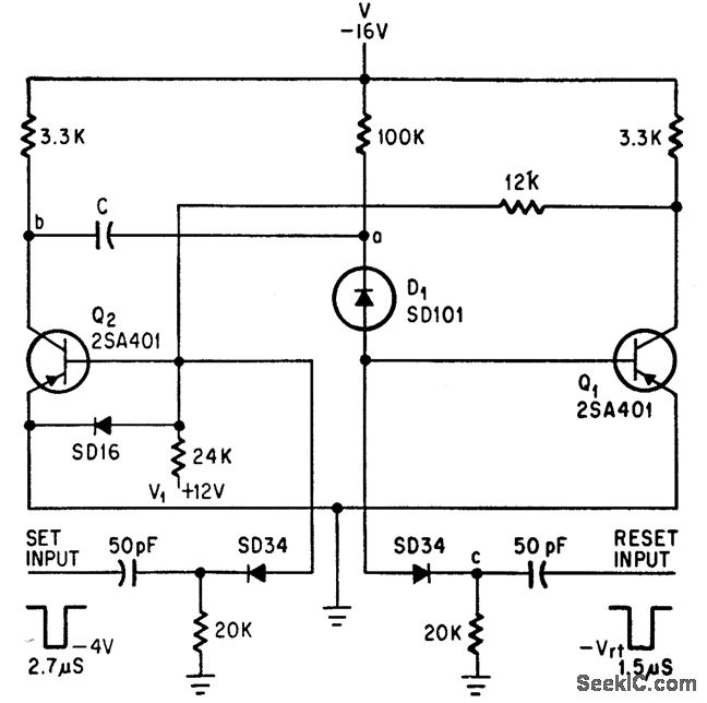
Addition of diode D1 to conventional mvbr decreases required amplitude and duration of reset pulse. -H. Inose and T. Tomiyama, Diode Lowers Multi's Reset Power Level, Electronics, 39:13, p 76-77.
Reprinted Url Of This Article:
http://www.seekic.com/circuit_diagram/Signal_Processing/REDUCING_RESET_POWER_LEVEL.html
Print this Page | Comments | Reading(3)
Code: