Published:2009/6/24 4:30:00 Author:Jessie | From:SeekIC

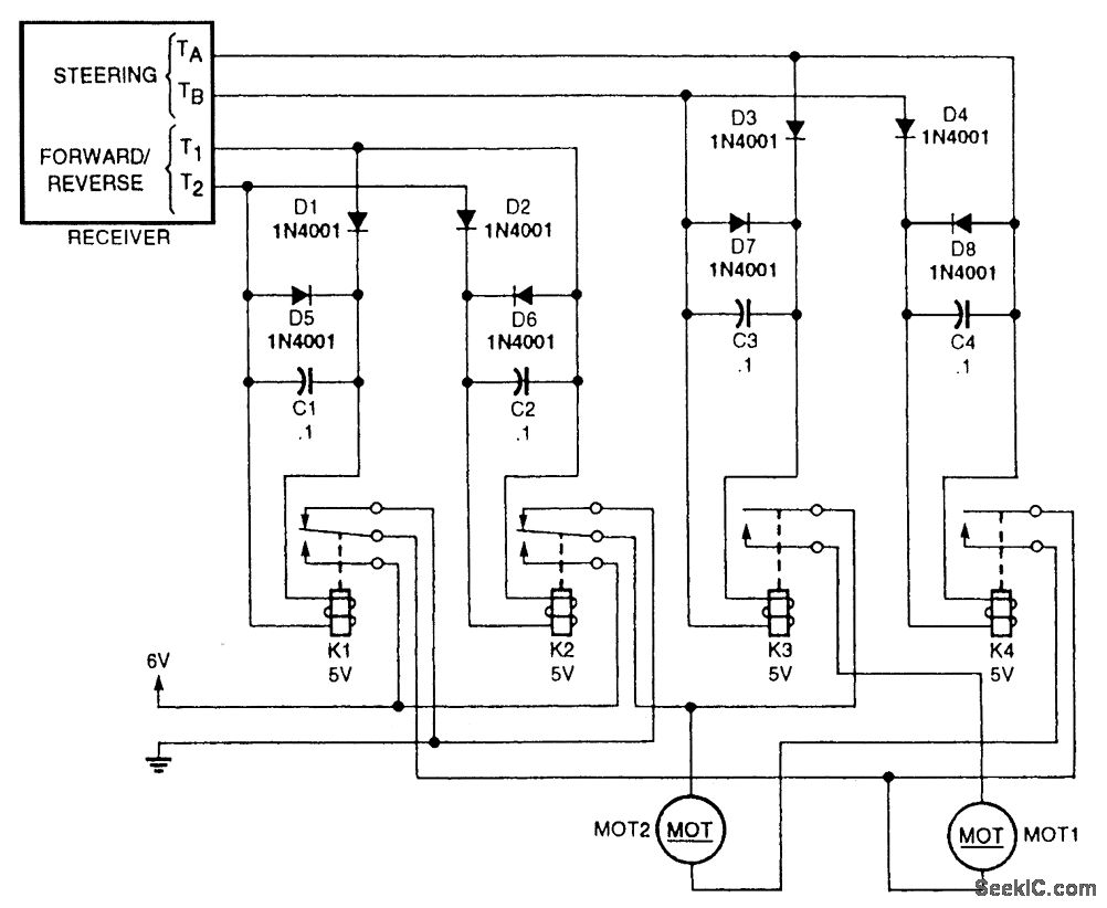
You can add relays to some inexpensive RC receivers to operate your own chassis.
Reprinted Url Of This Article:
http://www.seekic.com/circuit_diagram/Signal_Processing/RELAY_INTERFACE_TO_RC_RECEIVERS.html
Print this Page | Comments | Reading(3)
Code: