Published:2009/7/16 5:22:00 Author:Jessie | From:SeekIC

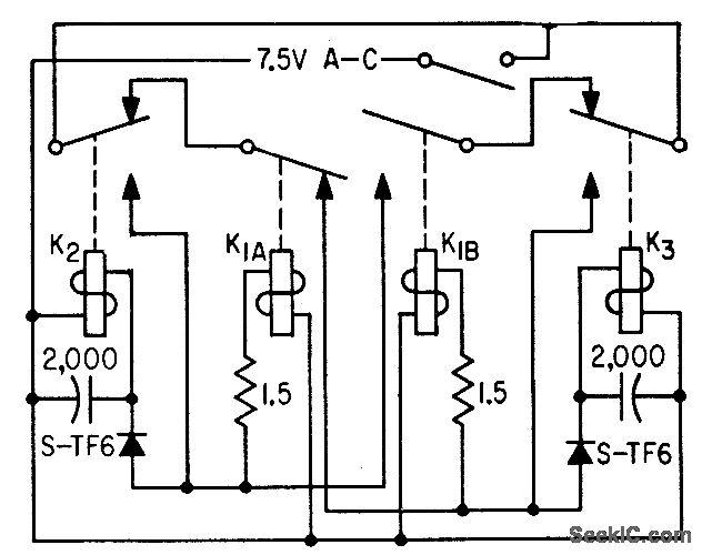
Use of a-c latching relay and rectifier diodes permits operation of low-frequency relay-type mvbr from a-c source.-R. L. Ives, Multivibrator for Low Frequencies Uses Relays, Electronics, 34:32, p 166-169.
Reprinted Url Of This Article:
http://www.seekic.com/circuit_diagram/Signal_Processing/RELAY_ONLY_MVBR_FOR_A_C.html
Print this Page | Comments | Reading(3)
Code: