Published:2009/7/16 7:01:00 Author:Jessie | From:SeekIC

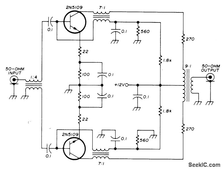
Push-pull transistorized RF stage for communication receiver uses voltage and current feedback to minimize intermodulation distortion. Transformers serve to stabilize impedance. Circuit is basically constant-current device. Second-order intermodulation distortion products are suppressed almost 40 dB more than with single-transistor stage. To apply AGC, replace the two 270-ohm resistors with single PIN-diode shunt regulator.-U. L. Rohde, Optimum Design for High-Frequency Communications Receivers, Ham Radio, Oct.1976, p 10-25.
Reprinted Url Of This Article:
http://www.seekic.com/circuit_diagram/Signal_Processing/RF_INPUT_STAGE.html
Print this Page | Comments | Reading(3)
Code: