Published:2011/5/25 18:54:00 Author:Christina | Keyword: Radio launch, alarm, crystal oscillation, frequency stabilizing, FM circuit | From:SeekIC

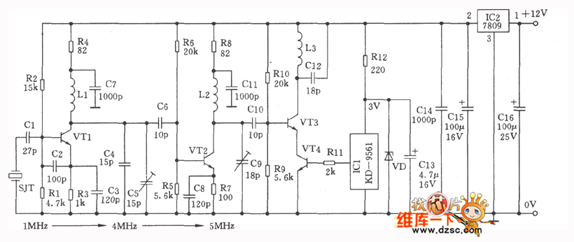
The crystal oscillation frequency stabilizing FM circuit is as the figure shown, this circuit can be used in the radio launch alarm. So it has the features of simple to use, stable performance, small size, low cost, it is one kind of high cost-effective circuit.
Performance indexes:
Operating frequency: 85 to 120MHz;
output power: 5~200mW(adjustable);
Launch distance: 50~1000m;
operating voltage: 9VDC;
operating current: 50 to 60 mA.
The transistors VTl and VT2 use the 3DGl30C、β≥50, the VT3 uses the L413K amplifier tube, the VT4 is 8050、β≥80. The voltage stabilization diode VD uses the 3V, 0.5W voltage stabilization tube. ICl is the KD-9561 simulation soft package sound integrated circuit. All the high-frequency circuit oscillation capacitances uses the high frequency ceramic or the polyester capacitor.
Reprinted Url Of This Article:
http://www.seekic.com/circuit_diagram/Signal_Processing/Radio_launch_alarm_crystal_oscillation_frequency_stabilizing_FM_circuit.html
Print this Page | Comments | Reading(3)
Code: