Published:2009/7/20 22:33:00 Author:Jessie | From:SeekIC

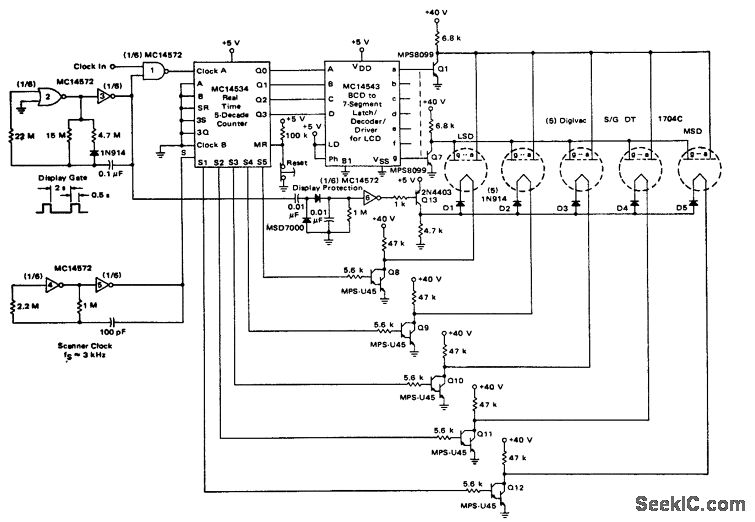
Real-time 5-digit fluorescent diode display(courtesy Motorola Semiconductor Products Inc.).
Reprinted Url Of This Article:
http://www.seekic.com/circuit_diagram/Signal_Processing/Real_time_5_digit_fluorescent_diode_display.html
Print this Page | Comments | Reading(3)
Code: