Published:2012/11/15 0:56:00 Author:muriel | Keyword: SAA1057, PLL, Synthesized, FM , Transmitter | From:SeekIC

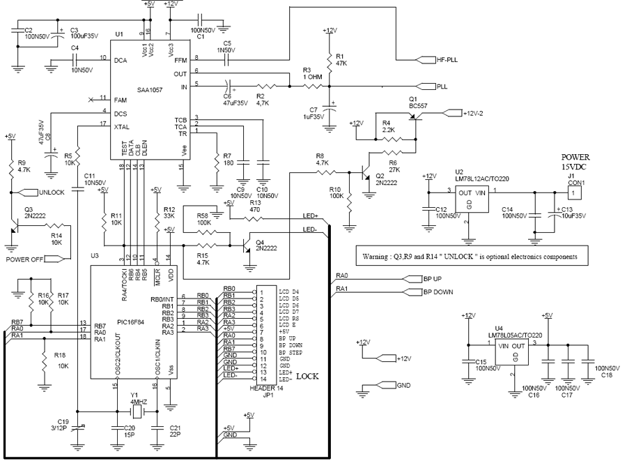
The functioning of all is provided by a microcontroller from MICROCHIP PIC16F84 which provides support for buttons, LCD 2 lines of 16 characters and the circuit pll SAA1057. The VCO is entrusted to the transistor Q8 associate of his two diodes varicaps BB109, a floor buffer Q7 separates the VHF signal obtained in two ways, on the one hand to Q9 to enslave loop phase and on the other hand to the Q5 and Q6 together which takes care to amplify the signal before attacking Q11, a BFR96 which plays the role of HF switch via a timer NE555 which receives information from the push and SAA1057 ensuring HF cutoff in the event of failure of a locking or unlocking of the pll.
Reprinted Url Of This Article:
http://www.seekic.com/circuit_diagram/Signal_Processing/SAA1057_PLL_Synthesized_FM_Transmitter.html
Print this Page | Comments | Reading(3)
Code: