Published:2009/7/14 3:28:00 Author:May | From:SeekIC

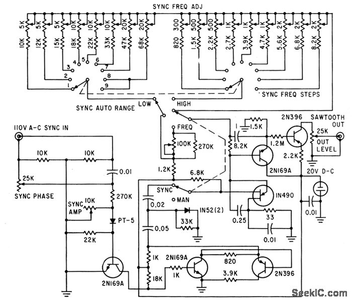
Provides sync and sawtooth signals for power oscillator control system of induction heater.-R.E. Mathews and E.R. Sias, Jr. , Testing Space Craft with Induction Heaters, Electronics, 35:34. P,38-41.
Reprinted Url Of This Article:
http://www.seekic.com/circuit_diagram/Signal_Processing/SAWTOOTH_SYNC_GENERATOR.html
Print this Page | Comments | Reading(3)
Code: