Published:2009/6/18 23:36:00 Author:May | From:SeekIC

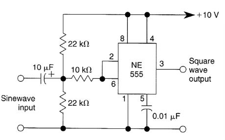
A sine wave input can produce a square wave output by this Schmitt trigger circuit based on a 555 IC.
Reprinted Url Of This Article:
http://www.seekic.com/circuit_diagram/Signal_Processing/SCHMITT_TRIGGER_SINE__SQUARE_WAVE_GENERATOR.html
Print this Page | Comments | Reading(3)
Code: