Published:2009/6/17 3:26:00 Author:May | From:SeekIC


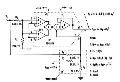
By using a circuit built with a single analog multiplier and five precision resistors, an output volt-age (Vo) can be made to create a second-order polynomial.The circuit implements the following quadratic:
VO=a+bVx+cV 2X
The input terminals of IC1 are connected to create a positive square term and present the Vx signal to the output with a 1-10-V scale factor, Incorporating the voltage-divider network (resistors R3 and R4) in the input signal path provides additional attenuation adjustment for the coefficient (c) of the square term in the quadratic. Then, the passive adder (resistors R1, R2, and RO) is wired to IC1's internal summing circuit to generate the polynomial's other two terms; the offset term (a) and the linear coefficient (b).
Reprinted Url Of This Article:
http://www.seekic.com/circuit_diagram/Signal_Processing/SECOND_ORDER_POLYNOMIAL_GENERATOR.html
Print this Page | Comments | Reading(3)
Code: