Published:2009/7/15 22:30:00 Author:Jessie | From:SeekIC

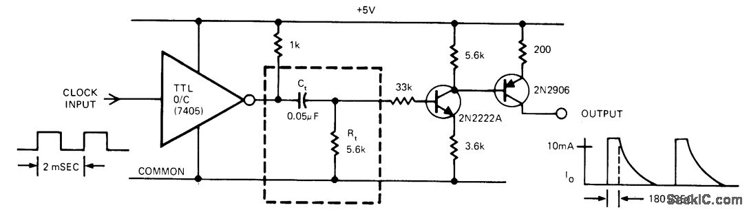
Clock-pulse differentiator/buffer shortens duty cycle of 500-Hz clock signal having positive period of 1000 ps. Open-collector 7405 inverter acts as buffer. Ct and Rt are primary differentiating components.Saturation of transistors provides some stretching of output and gives output pulse width of about 180 μs. Developed for driving regulated power supply having clock-controlled short-circuit protection.-J. L. Bohan, Clocking Scheme Improves Power Supply Short. Circuit Protection, EDN Magazine, Match 5, 1974, p 49-52.
Reprinted Url Of This Article:
http://www.seekic.com/circuit_diagram/Signal_Processing/SHORTENING_DUTY_CYCLE.html
Print this Page | Comments | Reading(3)
Code: