Published:2009/7/23 22:44:00 Author:Jessie | From:SeekIC

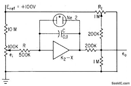
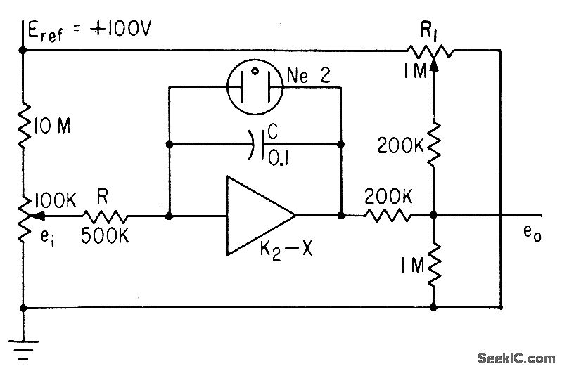
Uses operational amplifier in integrating circuit, neon lamp as automatic switch, and resistance network that allows output to be varied around level set by R1. Used to generate sweeps with high linearity up to 18 cps.-A. Angelone, Subaudio Sawtooth Generator Gives One-Percent linearity, Electronics, 34:48, p 42-43.
Reprinted Url Of This Article:
http://www.seekic.com/circuit_diagram/Signal_Processing/SIMPLE_SUBAUDIO_SWEEP.html
Print this Page | Comments | Reading(3)
Code: