Published:2009/7/10 3:43:00 Author:May | From:SeekIC




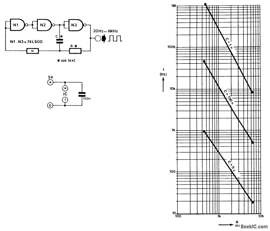
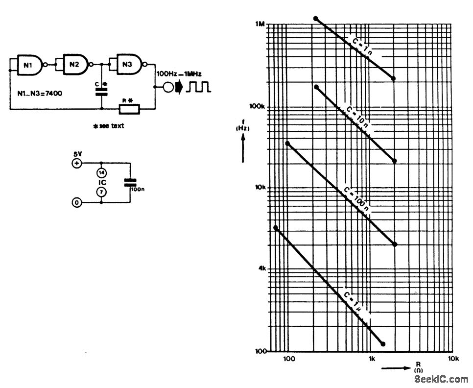
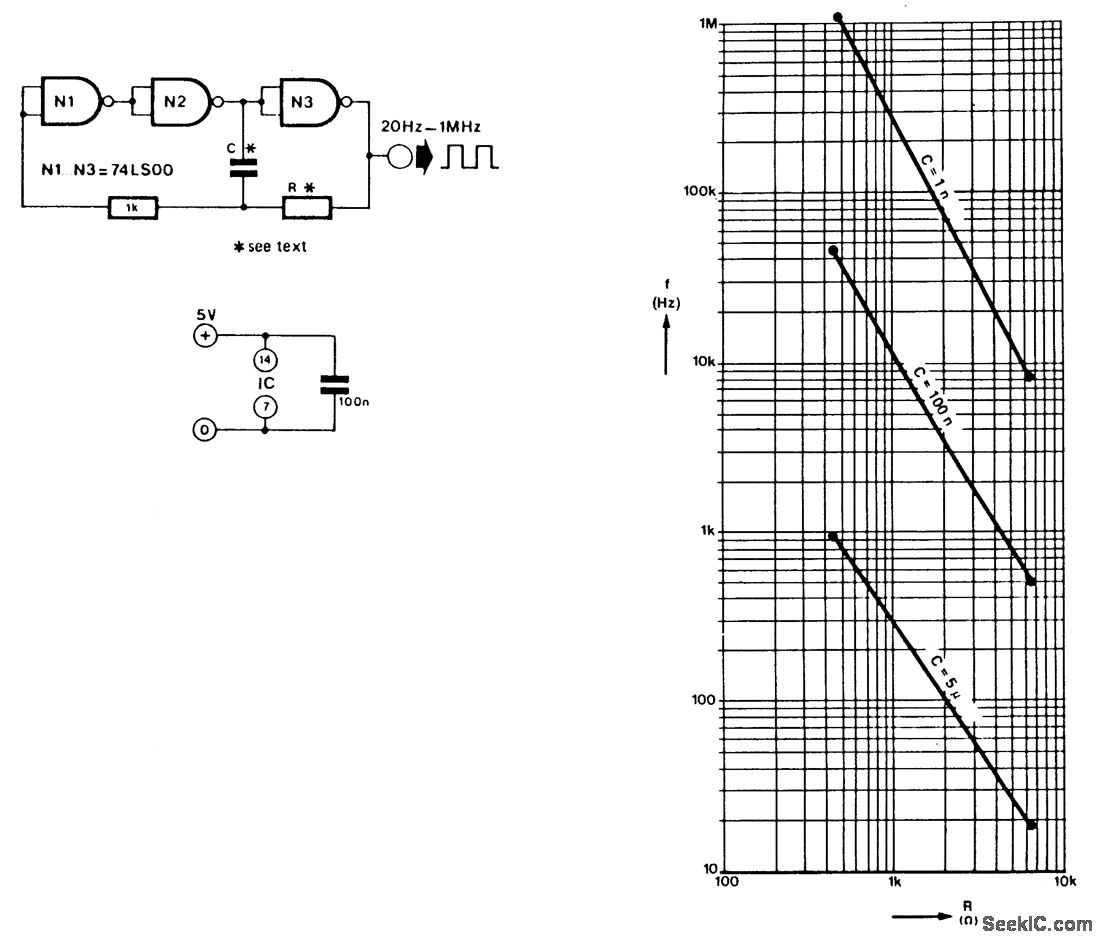
These three circuits for TTL. LSTTL. and CMOS logic use three gates each, and one or two resistors and capacitor as a square-wave oscillator. The circuits are useful for clock oscillators, etc. R and C are determined from the nomographs
Reprinted Url Of This Article:
http://www.seekic.com/circuit_diagram/Signal_Processing/SIMPLE_TTL_LSTTL_CMOS_SQUARE_WAVE_GENERATORS.html
Print this Page | Comments | Reading(3)
Code: