Published:2009/7/23 22:50:00 Author:Jessie | From:SeekIC

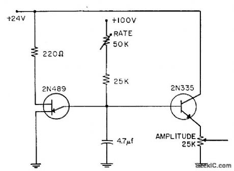
Generates variable-frequency sawtooth directly, with emitter-follower 2N335 serving only for isolation. Sawtooth frequency can be varied without affecting output amplitude.-Unijunction Sweep, EEE, 11:7, p 86.
Reprinted Url Of This Article:
http://www.seekic.com/circuit_diagram/Signal_Processing/SIMPLE_UJT_SWEEP.html
Print this Page | Comments | Reading(3)
Code: