Published:2009/7/23 22:05:00 Author:Jessie | From:SeekIC

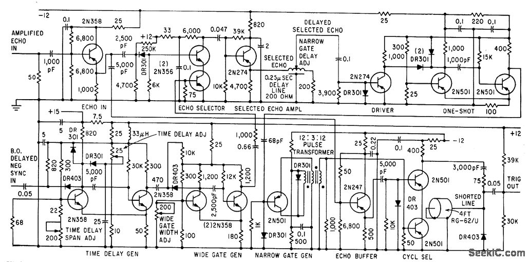
Electrical echo signals generated by receiving transducer pass through 10-Mc tuned amplifier to trigger generator that delays selected detected echo and combines it with undetected echo in fast series-transistor coincidence circuit to obtain trigger output pulse for transmitter of ultrasonic velocity measuring system.-R. L. Forgacs, Precision Ultrasonic Velocity Measurements, Electronics, 33:47, p 98-100.
Reprinted Url Of This Article:
http://www.seekic.com/circuit_diagram/Signal_Processing/SING_AROUND_TRIGGER_GENERATOR.html
Print this Page | Comments | Reading(3)
Code: