Published:2009/7/6 4:55:00 Author:May | From:SeekIC

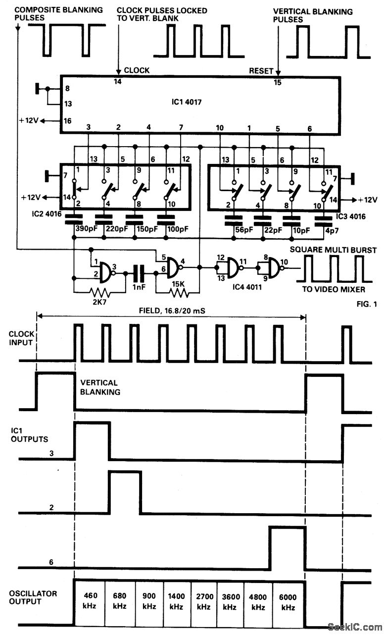
The generator described here IS intended for multiburst signal square waveformgeneration and can be used as a device for characterizing the response of TV monitoramplifiers as shown.The circuit is an RC oscillator with NAND gates(IC4-4011),withits capacitor C changed periodically by means of bilateral switches(IC2,IC3-4016),Thecontrol inputs of bilateral switches are driven by the outputs of a counter/decoder(IC1-4017)the operation of which is determined by generated clock pulses,SO that theyoccur eight times at half-picture (field).These pulses are locked to vertical blank pulses. Horizontal synchronizatiOn is achieved by means of composite blanking pulses (negative polarization) applied to pms 1 and 5 of IC4,The oscillator frequency changesh the following(liscrete steps:460 kHz,680 kHz,900 kHz,1400 kHz,2700 kHz,3600kHz,for the time of one frame。The video signal is fed on a mlxer where it is superimposedwith a composite sync signal.
Reprinted Url Of This Article:
http://www.seekic.com/circuit_diagram/Signal_Processing/SQUARE_WAVEFORM_MULTIBURST_GENERATOR.html
Print this Page | Comments | Reading(3)
Code: