Published:2009/7/15 21:15:00 Author:Jessie | From:SeekIC

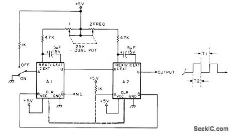
Uses two 74122 retriggerable mono MVBRs with clear. Two single pots may be used in place of dual 25K pot if up and down times of output must be independently adjustable.-B. Voight, The TTL One Shot, 73 Magazine, Feb. 1977, p 56-58.
Reprinted Url Of This Article:
http://www.seekic.com/circuit_diagram/Signal_Processing/SQUARE_WAVE_GENERATOR.html
Print this Page | Comments | Reading(3)
Code: