Published:2009/7/21 7:23:00 Author:Jessie | From:SeekIC


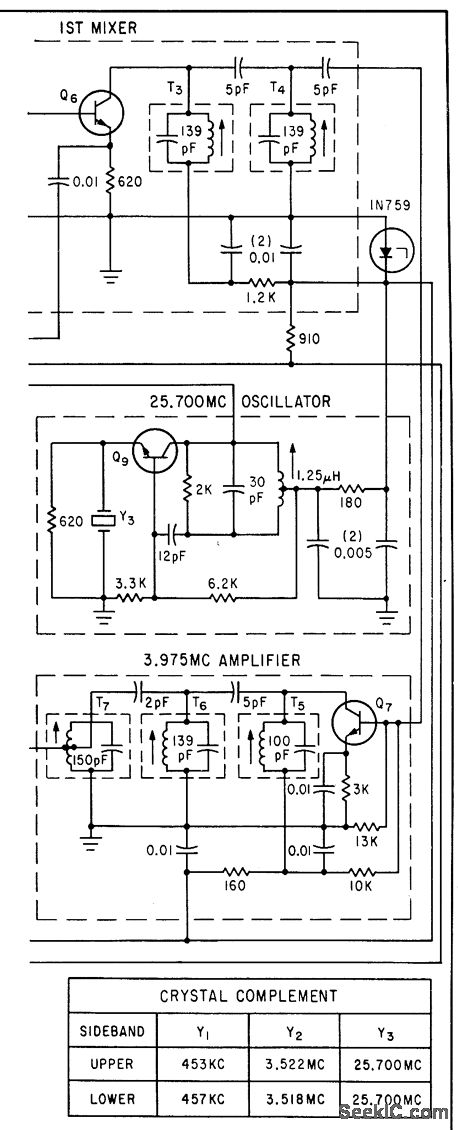
Silicon transistors reduce noise and increase reliability of single-side band exciters. Circuit shown, for 10-meter band, gives choice of upper or lower sideband.-D. L. Wilcox, Single-Sideband Exciter uses Planar Silicon Transistors, Electronics, 35:32, p 65-67.
Reprinted Url Of This Article:
http://www.seekic.com/circuit_diagram/Signal_Processing/SSB_EXCITER.html
Print this Page | Comments | Reading(3)
Code: