Published:2009/7/7 4:34:00 Author:May | From:SeekIC

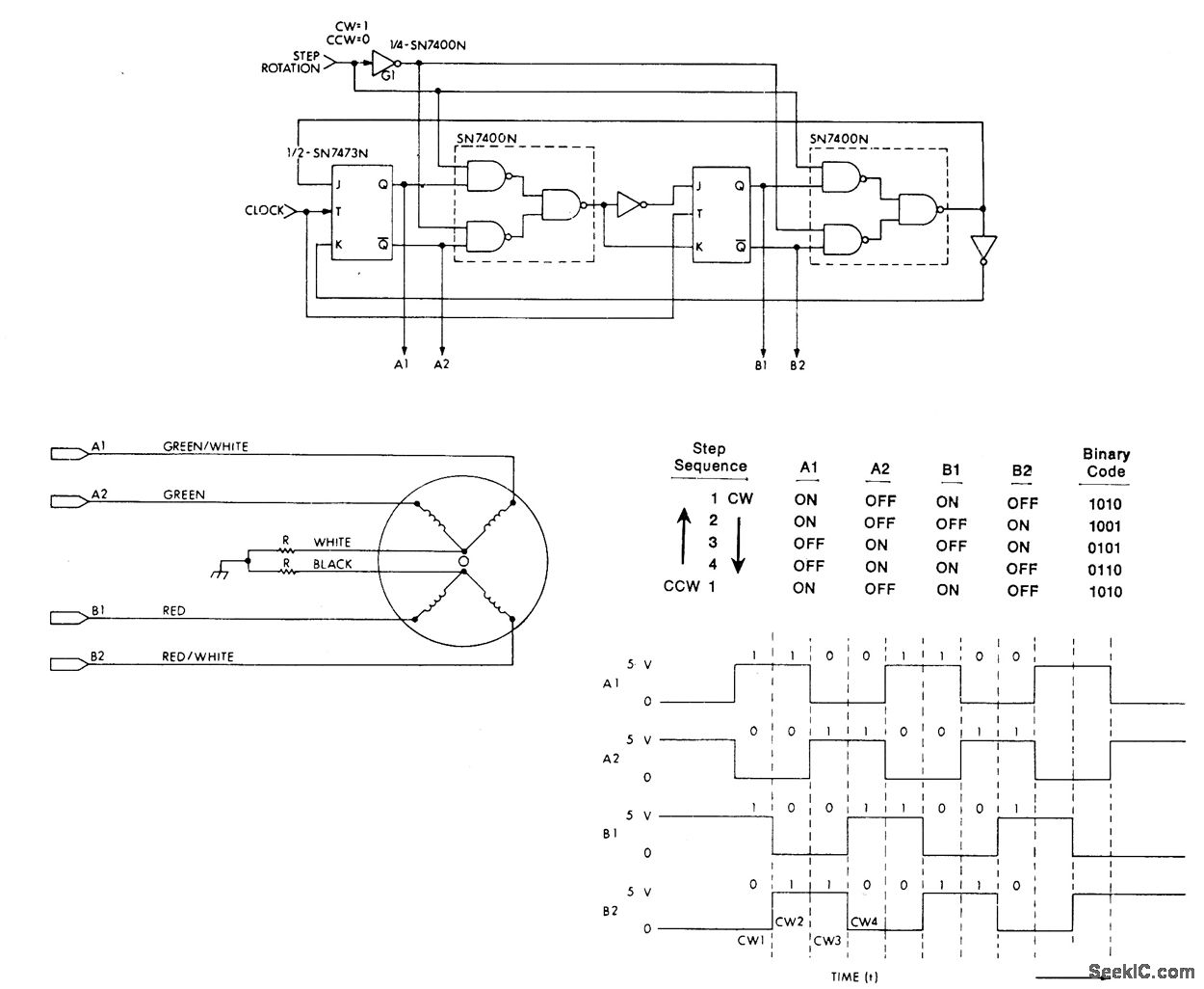
Generates high-current square-wave pulses and provides correct switching sequence for exciting stepper motor when digital display is required to show instantaneous step angle and total revolutions traveled by shaft of stepper motor. If microprocessor is used, speed and direction of motor rotation can be controlled by programming period and level of output pulses. Clock signals trigger SN7473N JK flip-flop that changes ON/OFF states of four outputs as shown in table. Clock signal is obtained from external square-wave generator or from microprocessor such as KIM-1. Article also gives digital display circuit driven by same clock.-H. Lo, Digital Display of Stepper Motor Rotation, Computer Design, April 1978,p 147-148 and150-151
Reprinted Url Of This Article:
http://www.seekic.com/circuit_diagram/Signal_Processing/STATE_GENERATOR_FOR_STEPPER.html
Print this Page | Comments | Reading(3)
Code: