Published:2009/7/16 5:48:00 Author:Jessie | From:SeekIC

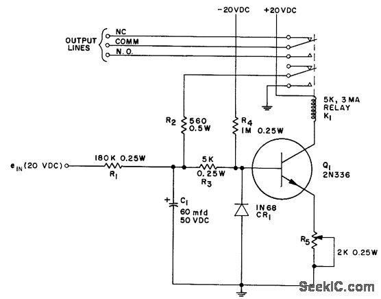
Used to advance stepping switch automatically at predetermined rate, in automatic test equipment providing go-no-go indications. C1 controls output pulse wideth to give 80-msec on time, for reliable actuation of switch that normally requires 20 millisec. Rang of off time, controlled by R5 , is 20 millisec to 7 sec.-.Wilson Step Switch Pulser, EEE, 10:11, P 26-27 .
Reprinted Url Of This Article:
http://www.seekic.com/circuit_diagram/Signal_Processing/STEPPING_SWITCH_PULSER.html
Print this Page | Comments | Reading(3)
Code: