Published:2009/7/10 1:47:00 Author:May | From:SeekIC

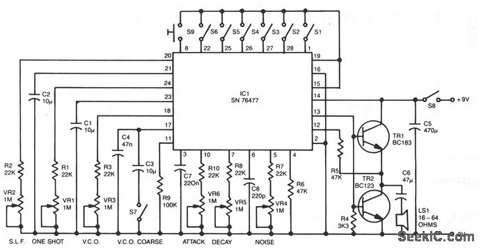
Six preset controls and seven selector switches enable a vast range of different sounds to be produced and altered at will. Such sounds as steam trains chuffing, helicopters flying, bird chirping, and machine guns firing are possible, as well as the usual police sirens, phaser suns, and bomb explosions. The circuit incorporates an amplifier giving 150-mW output into a small loudspeaker. Alternatively, a separate amplifier system can be used for disco effects, car alarms, etc. Continuous or one-shot sounds are possible. For one-shot sounds, a push-button switch is prodded, which can also be used to turn continuous sounds on and off. A single IC, SN76477, provides all of the sound generation circuits.
Reprinted Url Of This Article:
http://www.seekic.com/circuit_diagram/Signal_Processing/SUPER_SOUND_GENERATOR.html
Print this Page | Comments | Reading(3)
Code: