Published:2011/5/22 9:30:00 Author:Felicity | Keyword: Eliminator of Visual Fatigue (the 1st) | From:SeekIC

Work of the circuit
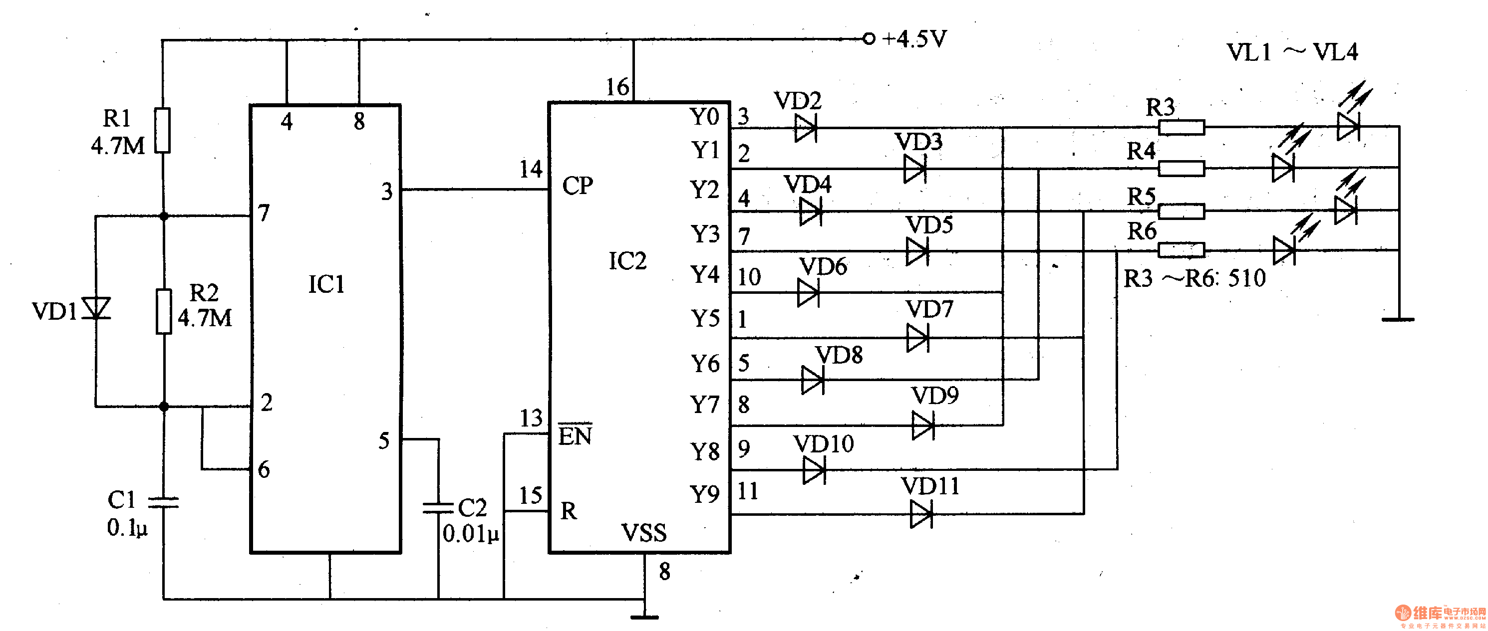
The circuit consists of pulse generator, counting frequency divisor and LED indicating circuit (It is showed in picture 9-57.).
Put four shining diode on the pad symmetrically and the distance between two diodes should be about 30mm. when the eyes are tired they will flex with the shining of the diodes. In this way can the user eliminates the visual fatigue.
Reprinted Url Of This Article:
http://www.seekic.com/circuit_diagram/Signal_Processing/Second_Signal_Generating/Eliminator_of_Visual_Fatigue_the_1st.html
Print this Page | Comments | Reading(3)
Code: