Published:2011/5/22 9:32:00 Author:Felicity | Keyword: Eliminator of Visual Fatigue (the 2nd) | From:SeekIC

Work of the circuit
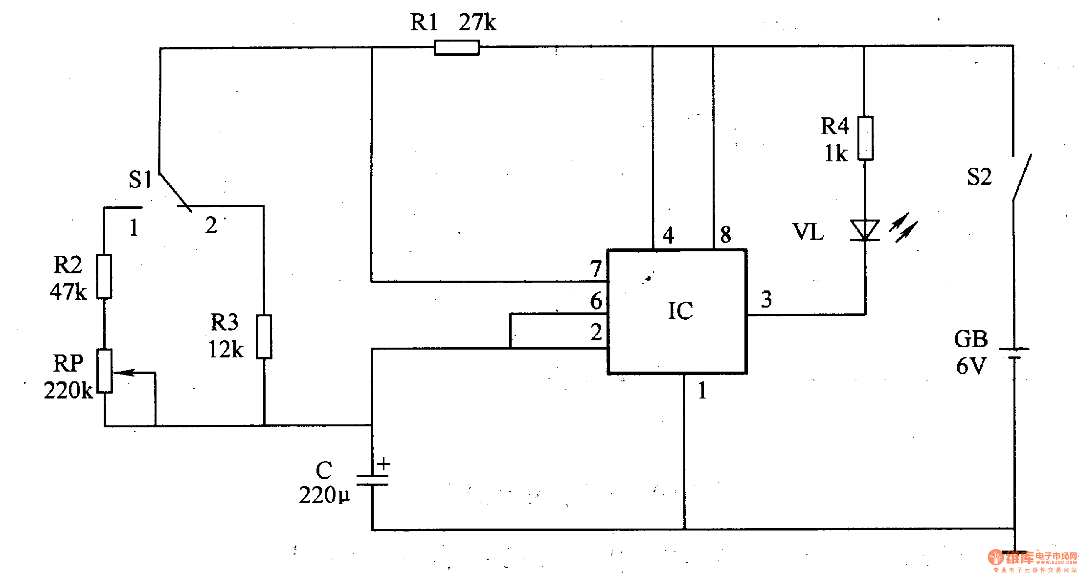
The circuit consists of shining diode V, resistor R1-R4, potentiometer RP, capacitor C, switch S1, S2 and battery GB (I t is showed in picture 9-58.).
When we use the machine we should put it exactly in front of our eyes (the distance should be about 25cm). We look at distance place and when VL shines (2s) our eyes will look at the shining point naturally. When VL stops shining (6s) we should look at the distance place again. In this way can we eliminate fatigue.
Reprinted Url Of This Article:
http://www.seekic.com/circuit_diagram/Signal_Processing/Second_Signal_Generating/Eliminator_of_Visual_Fatigue_the_2nd.html
Print this Page | Comments | Reading(3)
Code: