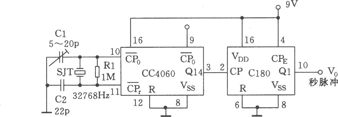
Published:2011/6/20 8:22:00 Author:Lucas | Keyword: Seconds, signal generator | From:SeekIC

Reprinted Url Of This Article:
http://www.seekic.com/circuit_diagram/Signal_Processing/Seconds_signal_generator_composed_of_CC4060.html
Print this Page | Comments | Reading(3)
Code: