Published:2012/9/16 21:42:00 Author:Ecco | Keyword: Self runner Generator | From:SeekIC

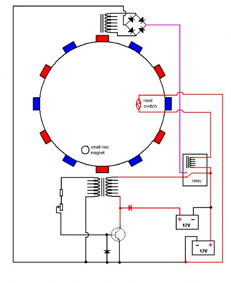
The timing must be exact to get those high voltage spikes. I used a tiny magnet on the rotor, that triggered a reedswitch allowing the relay to pulse the energy from the recovery coil to the primary battery. In the same time the rest of the circuit is disconnected form the primary battery. The recovery coil has to have at least 20Ohms resistance, the higher the better, because when the speed rises at startup, you can see on the meter, that the voltage across the recovery coil increases.
Reprinted Url Of This Article:
http://www.seekic.com/circuit_diagram/Signal_Processing/Self_runner_Generator.html
Print this Page | Comments | Reading(3)
Code: