Published:2013/12/24 20:12:00 Author: | Keyword: Shenlong fukang anti-lock braking system (ABS) circuit diagram, | From:SeekIC

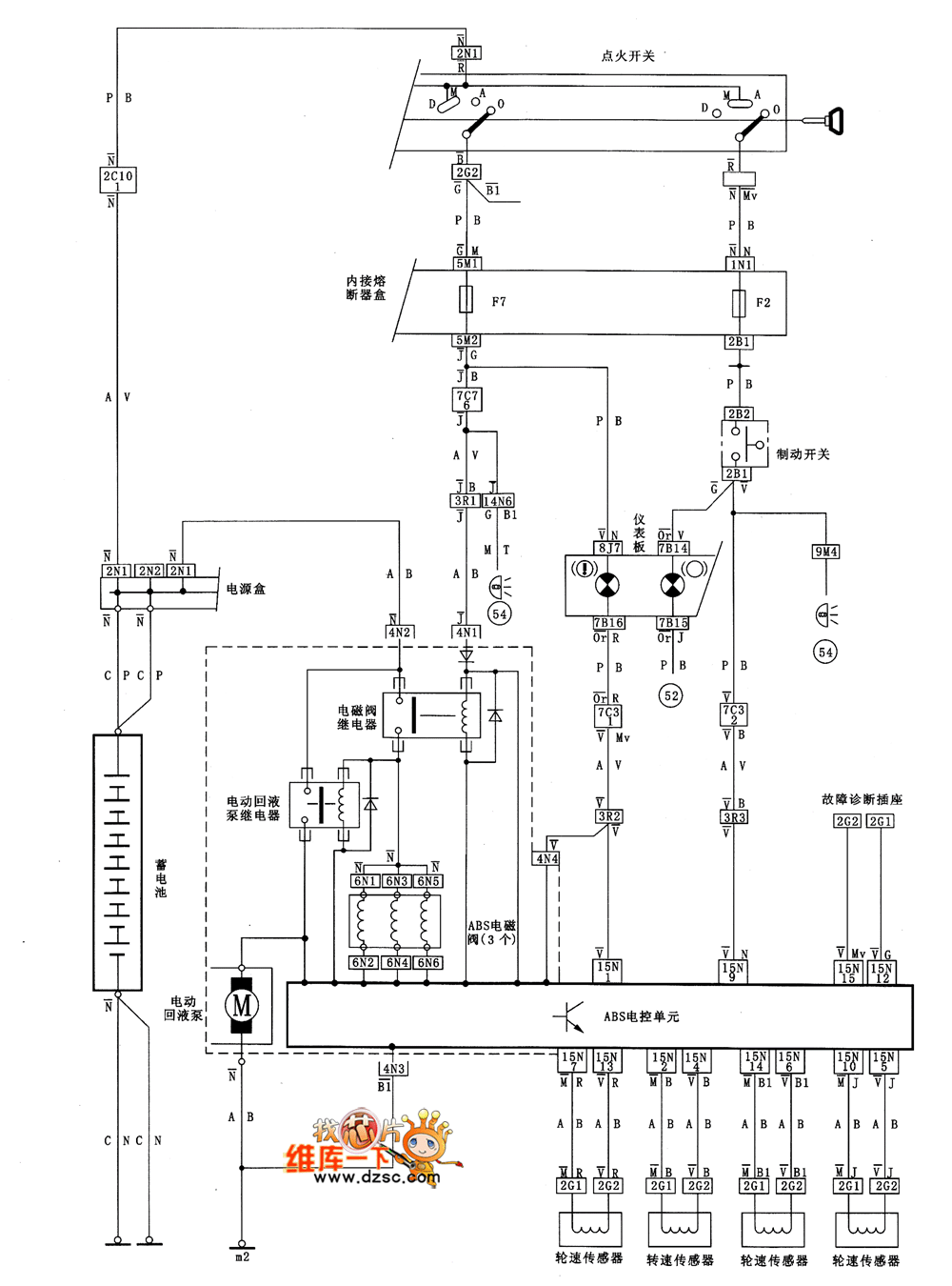
Shenlong fukang anti-lock braking system (ABS) circuit diagram as shown below:
Reprinted Url Of This Article:
http://www.seekic.com/circuit_diagram/Signal_Processing/Shenlong_fukang_anti_lock_braking_system_ABS_circuit_diagram.html
Print this Page | Comments | Reading(3)
Code: