Published:2013/12/25 19:27:00 Author: | Keyword: Shenlong fukang lighting and signal circuit diagram, | From:SeekIC

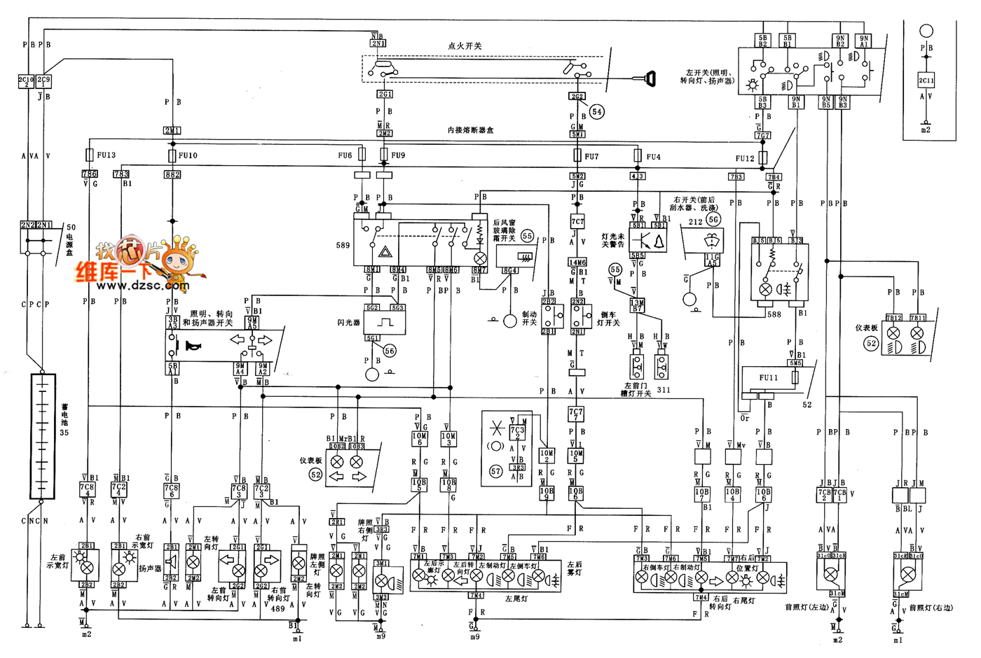
Shenlong fukang lighting and signal circuit diagram as shown below:
Reprinted Url Of This Article:
http://www.seekic.com/circuit_diagram/Signal_Processing/Shenlong_fukang_lighting_and_signal_circuit_diagram.html
Print this Page | Comments | Reading(3)
Code: