Published:2009/7/24 7:48:00 Author:Jessie | From:SeekIC

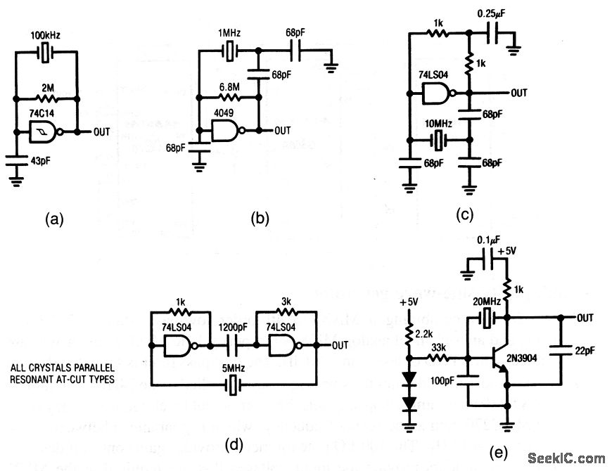
These circuits show four basic clock oscillators composed of digital IC gates, and a discrete-component oscillator, all of which are well suited as clock sources. Notice that the diodes used in the discrete-component oscillator can be 1N4148s or equivalent. Linear Technology Corporation, Linear Applications Handbook, 1990, p. AN12-2.
Reprinted Url Of This Article:
http://www.seekic.com/circuit_diagram/Signal_Processing/Simple_clock_oscillators.html
Print this Page | Comments | Reading(3)
Code: