© 2008-2012 SeekIC.com Corp.All Rights Reserved.
Published:2011/6/21 9:14:00 Author:TaoXi | Keyword: Simple, high, low, frequency, signal generator | From:SeekIC

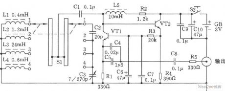
The simple high & low frequency signal generator circuit is as shown in the figure. You can change the inductance value of the LC resonance loop by using the band switch Sl, so we can change the frequency range of the high-frequency oscillation. This device has four stages:
The first stage is 0.4~2MHz;The second stage is 2~10MHz;The third stage is 9~45MNz;The fourth stage is 60~110MHz.
Components selection:
The VTl and VT2 use the NPN silicon tube (fT≥800MHz, β≥100) such as the 9018 and C535.etc. The resistance uses the 1/8W carbon membrane resistance. The capacitance C5 uses the monolithic capacitor, the other capacitances use the ceramic capacitor. The L2, L3, L4 and L5 use the high-frequency magnetic inductor, or you can wind it by yourself. The Ll uses the Φ0.6mm high strength varnished wire. The Sl uses the double-blade four-throw wave-band switch.
Reprinted Url Of This Article:
http://www.seekic.com/circuit_diagram/Signal_Processing/Simple_high__low_frequency_signal_generator_circuit.html
Print this Page | Comments | Reading(3)
Response in 12 hours
© 2008-2012 SeekIC.com Corp.All Rights Reserved.
Code: