Published:2011/7/19 21:54:00 Author:zj | Keyword: Single pulse | From:SeekIC

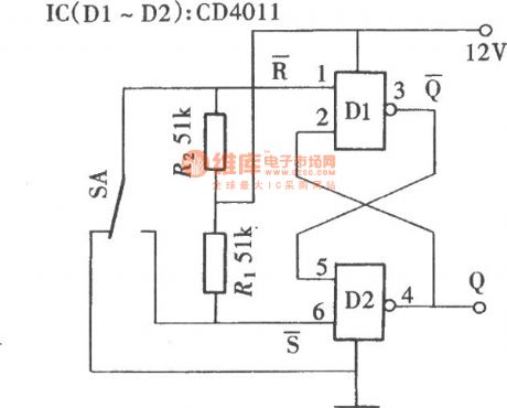
Single pulse could be obtained by a button switch, but due to the button pressing process is easy to produce the chattering phenomenon, and thus which acquired is often not a single pulse, but a group of variable number of pulse series, although some circuits with anti jitter circuit, but for some circuits still can not guarantee its reliability. As shown in the figure the circuit can ensure that each time a button is pressed, you can obtain a pulse, the work is reliable.
Reprinted Url Of This Article:
http://www.seekic.com/circuit_diagram/Signal_Processing/Single_pulse_generating_circuit.html
Print this Page | Comments | Reading(3)
Code: