Published:2011/7/11 7:42:00 Author:Michel | Keyword: Soft Start Control, Signal Generation Circuit | From:SeekIC

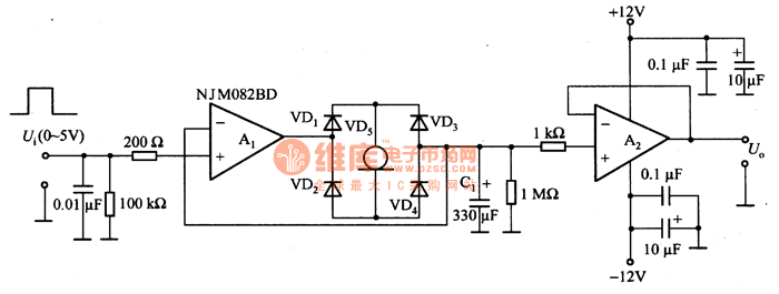
Thispiture is soft start control signal generating circuit . This circuit can be used as output voltage of power supply which is used to decrease soft start control signal and motor rotation rate control signal source of small mechanical impact. Constant output of current diodes VD5 charges and discharges C1,which gains a linear increase/decrease waveform.A1 and A2 choose small input bias current FET input type operational amplifier,NJMO82BD. The linear rise signal of the circuit is compared with the triangle waveform via comparator and it forms PWM signal.If the soft start signal is gained by changing the PWM signal dutyfactor slowly.Operational amplifiers also can choose general LF412 and AD712 etc.
Reprinted Url Of This Article:
http://www.seekic.com/circuit_diagram/Signal_Processing/Soft_Start_Control_Signal_Generation_Circuit.html
Print this Page | Comments | Reading(3)
Code: