Published:2009/7/24 8:12:00 Author:Jessie | From:SeekIC







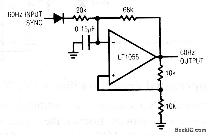
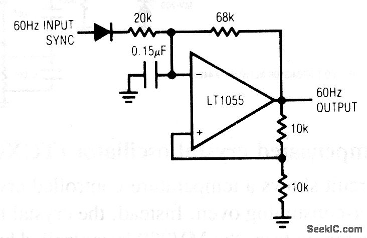
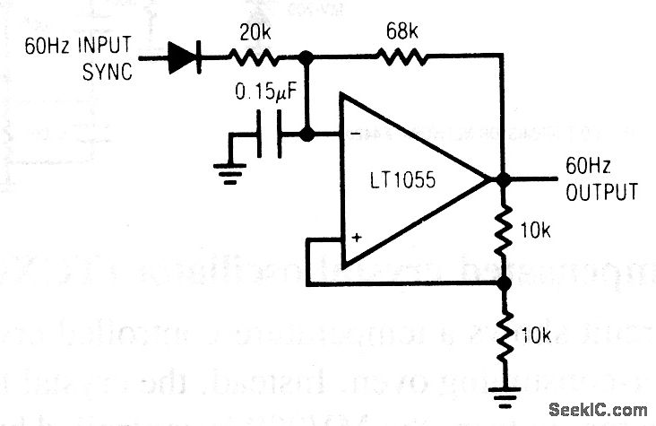
This circuit shows an RC clock circuit, which depends primarily on the RC elements for stability. The nominal-120-ppm/℃ temperature coefficient of the polystyrene capacitor is offset by the opposing positive temperature coefficient of the specified resistor. Linear Technology Corporation, Linear Appications Handbook, 1990, p. AN12-7.
Reprinted Url Of This Article:
http://www.seekic.com/circuit_diagram/Signal_Processing/Stable_RC_oscillator.html
Print this Page | Comments | Reading(3)
Code: