Published:2009/7/16 0:19:00 Author:Jessie | From:SeekIC

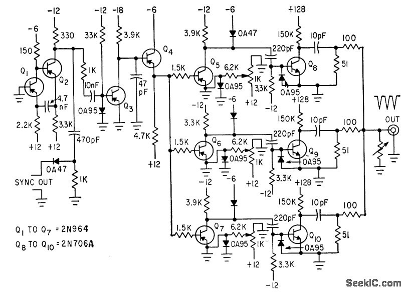
Free-running mvbr Q1-Q2 triggers sawtooth generator Q3, which in turn acts through emitter-follower Q4 to drive delay-adjusting amplifiers Q5, Q6 and Q7, each driving silicon tratnsistor working in avalanche mode. Common output is group of three 10-v pulses having rise times below 1 nsec.-R. Charbonnier, Avalanche Transistors Test 10.Nsec Logic, Electronics, 36:28, p 46.
Reprinted Url Of This Article:
http://www.seekic.com/circuit_diagram/Signal_Processing/THREE_PULSE_GROUPS_TEST_10_NSEC_DECADE_COUNTERS.html
Print this Page | Comments | Reading(3)
Code: