Published:2009/7/14 3:10:00 Author:May | From:SeekIC

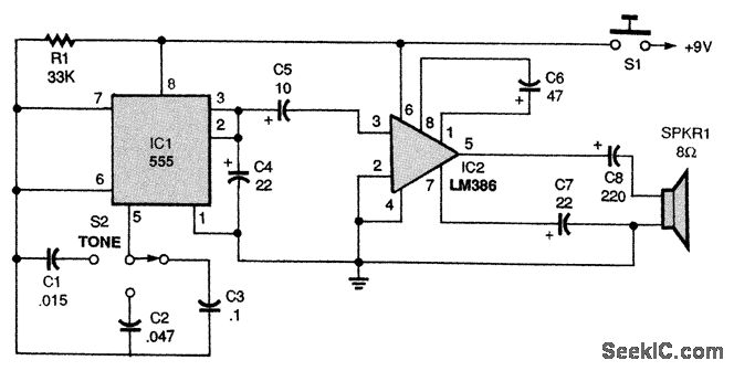
The three-tone generator makes a great warning device. It has a lot of uses; for example, if the appropriate switch is used for S1, the circuit can be used as a burglar alarm. When S1 is pressed, it turns on the circuit. The tone frequencies depend on resistor R1 and capacitors C1 through C3.Switch S2 lets you select between those capacitors. Capacitor C1 produces the highest frequency because it has the lowest capacitance, while C3 generates the lowest frequency.
Reprinted Url Of This Article:
http://www.seekic.com/circuit_diagram/Signal_Processing/THREE_TONE_GENERATOR.html
Print this Page | Comments | Reading(3)
Code: