Published:2009/7/16 4:46:00 Author:Jessie | From:SeekIC


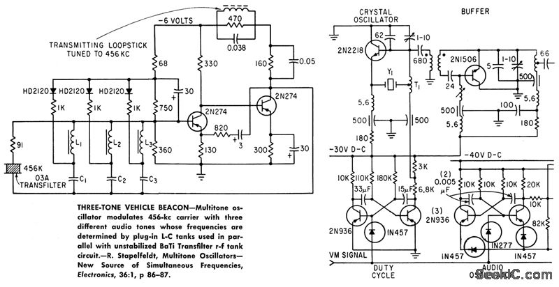
Multitone oscillator modulates 456-kc carrier with three different audio tones whose frequencies are determined by plug-in L-C tanks used in parallel with unstabilized BaTi Transfilter r-f lank circuit.-R. Stapelfeldt, Multitone Oscillcators-New Source of Simultaneous Frequencies, Electronics, 36:1, p 86-87.
Reprinted Url Of This Article:
http://www.seekic.com/circuit_diagram/Signal_Processing/THREE_TONE_VEHICLE_BEACON.html
Print this Page | Comments | Reading(3)
Code: