Published:2009/7/1 20:06:00 Author:May | From:SeekIC

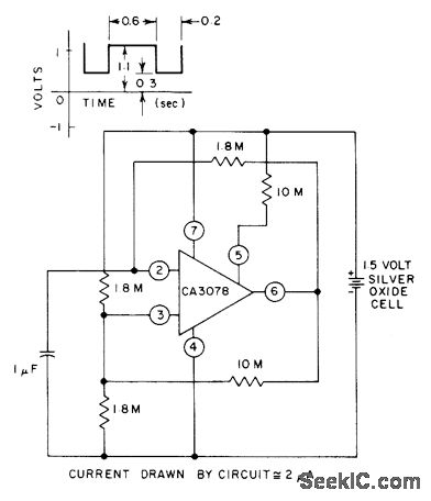
Astable MVBR uses CA3078 micropower opamp to develop timing pulses for driving other low-power circuits. Current drain is only about 2μA from 1.5-VDC supply.- Circuit ideas for RCA Linear ICs, RCA Solid State Division, Somerville, NJ, 1977, p 4.
Reprinted Url Of This Article:
http://www.seekic.com/circuit_diagram/Signal_Processing/TIMING_PULSE_GENERATOR.html
Print this Page | Comments | Reading(3)
Code: