Published:2009/7/23 22:32:00 Author:Jessie | From:SeekIC

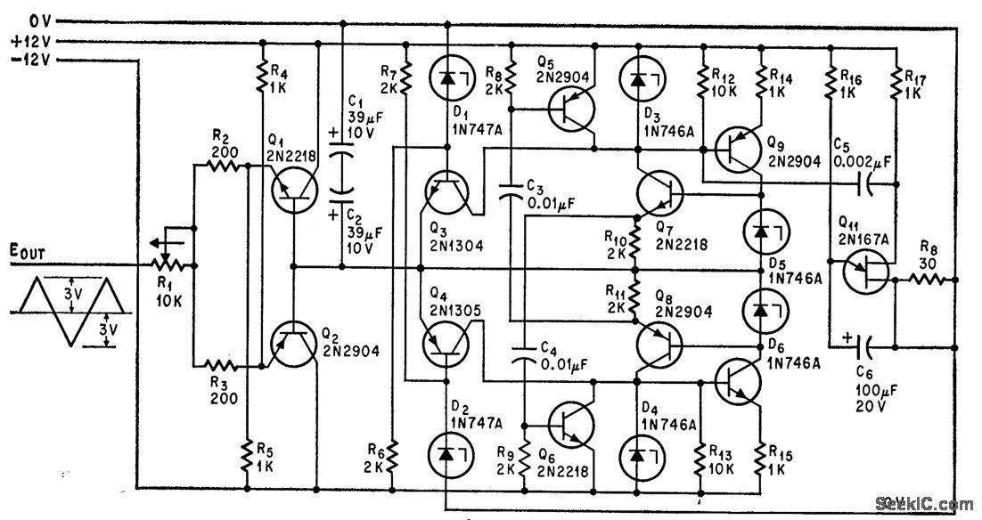
Peaks, slopes, and frequency of triangular waves can be varied independently. R10-R11 control positive slope, R11-R15 negative slope, and C1-C2 both slopes. Zener voltages of D1-D2 determine peaks.-R. Zane, Triangle Generator Adjusts Output Slopes and Peaks, Electronics, 38:12, p 85-86.
Reprinted Url Of This Article:
http://www.seekic.com/circuit_diagram/Signal_Processing/TKIANULES.html
Print this Page | Comments | Reading(3)
Code: