Published:2009/6/25 22:12:00 Author:May | From:SeekIC

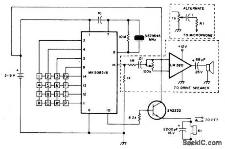
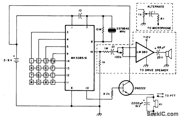
The circuit requires a minimum of parts and uses a low cost standard 3.579545-MHz television color-burst crystal. The speaker can be eliminated and the output fed directly into the microphone input of a transmitter.
Reprinted Url Of This Article:
http://www.seekic.com/circuit_diagram/Signal_Processing/TONE_DIAL_GENERATOR.html
Print this Page | Comments | Reading(3)
Code: