Published:2009/7/20 23:57:00 Author:Jessie | From:SeekIC

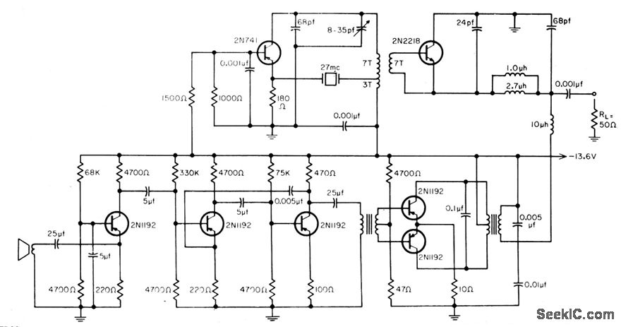
Widely used in a-m citizen's band (27-mc) transmitters. Modulation amplifier should be adjusted for dipping at 300-mw level, with passband from 300 to 3,000 cps. Input of 0.6 my will pro vide rated output of 780 mw at 70 db gain Large modulation transformer is required.- B. Rheinfelder, modulation Techniques for Transistorized A.M Transmitters, EEE, 11:7, p 54-57.
Reprinted Url Of This Article:
http://www.seekic.com/circuit_diagram/Signal_Processing/TRANSFORMER_COUPLED_COLLECTOR_MODU__LATED_TRANSMITTER.html
Print this Page | Comments | Reading(3)
Code: