Published:2009/7/22 22:53:00 Author:Jessie | From:SeekIC

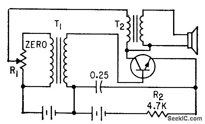
Blocking-oscillator test circuit provides tone from speaker only when transistor is good (not open, shorted, or leaky). Runaway transistors con be detected by providing npn-pnp switch and reversing it to stop oscillation for a few seconds, then restoring correct position. If transistor then oscillates al different frequency or will not resume oscillation, it is a runaway.-L. G. Sands, Dynamic Testers For Transistors, Electronics, 33:8, p 66-67.
Reprinted Url Of This Article:
http://www.seekic.com/circuit_diagram/Signal_Processing/TRANSISTOR_TESTER_WITH_SPEAKER.html
Print this Page | Comments | Reading(3)
Code: