Published:2009/7/16 2:03:00 Author:Jessie | From:SeekIC

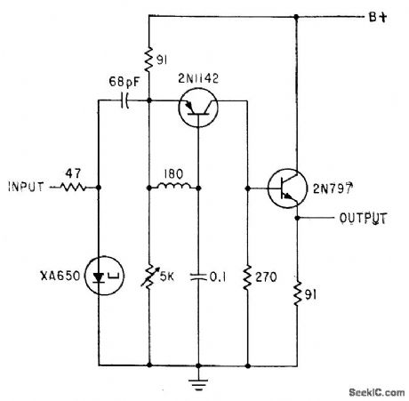
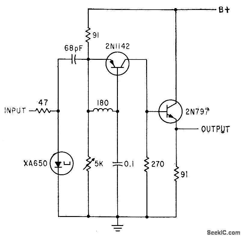
Switching voltage change of tunnel diode is differentiated and amplifed by grounded-base amplifer. With 8-V supply, 5-V output pulses are obtained into 91 ohms at clock rates up to 140 Mc.-M. V. Harrison and R. S. Foote, Tunnel Diodes Increase Digital-Circuit Switching Speeds, Electronics, 34:32 p154-156.
Reprinted Url Of This Article:
http://www.seekic.com/circuit_diagram/Signal_Processing/TUNNEL_DIODE_PULSER.html
Print this Page | Comments | Reading(3)
Code: