Published:2009/7/23 22:02:00 Author:Jessie | From:SeekIC

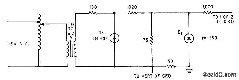
Curve-tracing circuit provides cro traces as aid in determining proper bias and circuit impedances for operating tunnel diode as switch, amplifier, or oscillator.-R. P. Murray, Biasing Methods for Tunnel Diodes, Electronics, 33:23, p 82-83.
Reprinted Url Of This Article:
http://www.seekic.com/circuit_diagram/Signal_Processing/TUNNEL_DIODE_TESTER.html
Print this Page | Comments | Reading(3)
Code: