Published:2009/7/21 7:36:00 Author:Jessie | From:SeekIC

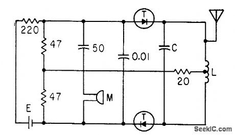
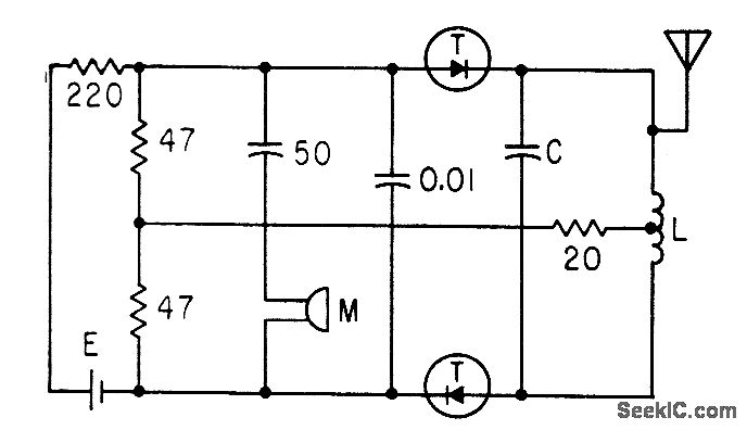
Two cascaded 2-ma germanium tunnel diodes serving as cascade oscillator and 90-Mc f-m modulator give range of over 100 feet. Coil L is about 5 microhenrys, with five turns a quarter-inch in diameter and half an inch long.C is 24 pf.-W. Ko, Tunnel Diode F.M Wireless Microphone, Electronics, 33:47, p 93-95.
Reprinted Url Of This Article:
http://www.seekic.com/circuit_diagram/Signal_Processing/TUNNEL_DIODE_WIRELESS_MIKE.html
Print this Page | Comments | Reading(3)
Code: