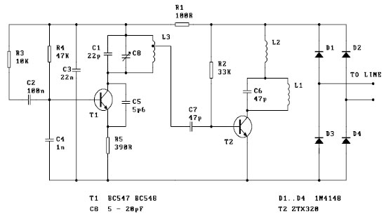
Published:2013/7/11 2:36:00 Author:muriel | Keyword: Telephone FM Transmitter | From:SeekIC

Reprinted Url Of This Article:
http://www.seekic.com/circuit_diagram/Signal_Processing/Telephone_FM_Transmitter_2.html
Print this Page | Comments | Reading(3)
Code: